| Товар дня | Y |
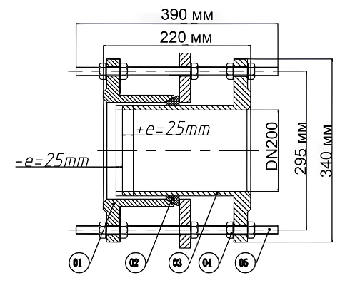
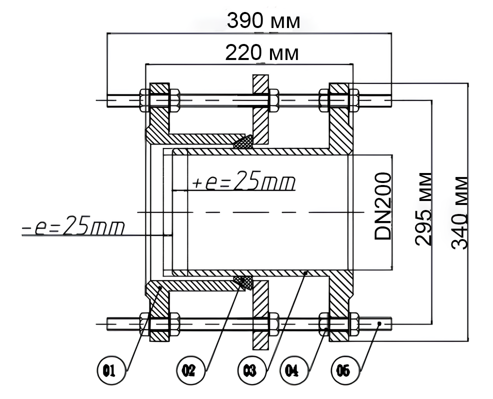
| Условное давление | PN10 |
Оплата только по безналичному расчету
Условия доставки обсуждайте с менеджером| Товар дня | Y |
| Условное давление | PN10 |
| Хит продаж | Хит |
| Материал корпуса | Чугун с шаровидным графитом GGG40 |
| Материал изделия | EPDM, чугун с шаровидным графитом GGG40, оцинкованная сталь класса 8.8 |
| Диаметр DN | 200 |
| Температура рабочей среды (не более), °C | +70°C |
| Масса, кг | 42 |
